和记体育正规真人网投

加入收藏 |  设为和记体育正规真人网投  
  和记体育正规真人网投 | 公司简介 | 和记体育正规真人网投 | 产品展示 | 工厂展示 | 工程安装展示 | 营业部 | 联系我们  
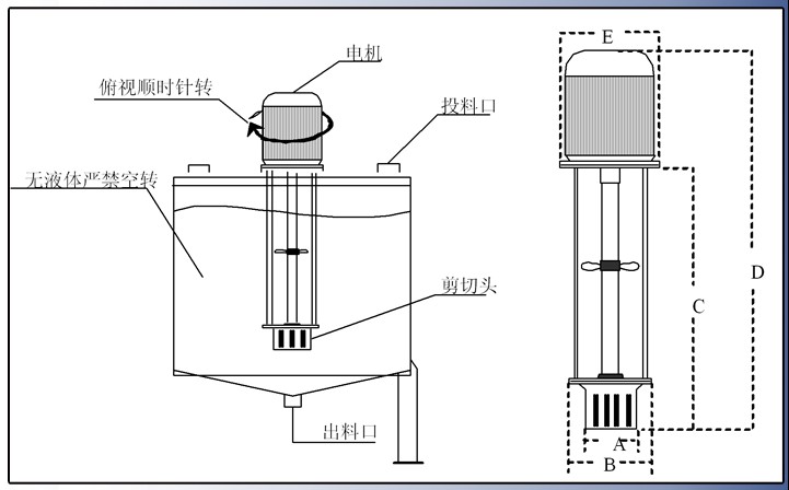
  化工机械
  食品机械
  日化设备
  水处理设备
  厂址(总部):广东省清远市高新技术产业开发区雄兴工业城A3
(广清高速银盏出口)
电话:0763-3691933
          13926173800
微信号:gzdehui
QQ号:1446293031
 
  地址(营业部):广州市海珠区广州大道南1413号
电话:020-84288516
         
          
 
和记体育正规真人网投>产品展示> 化工机械>





    
   
   
 Copyright @ 2011 清远得辉机械设备制造有限公司 版权所有
 联系地址:广东省广州市白云区广花路夏茅路段东侧广州世盛工业品展览中心A栋10号  粤ICP备 100333 号
Powerd by